1 成套供电系统概述
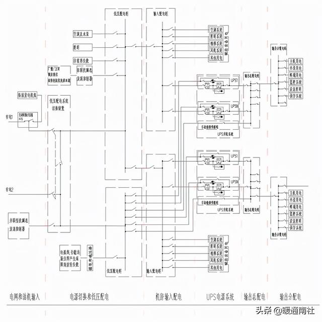
计算机机房的供配电系统是一个综合性供配电系统,在这个系统中不仅要解决计算机设备的用电问题,还要解决其他设备的用电问题。系统方框图如图1。

图1 UPS成套供电系统示意图
大型机房动力供电系统一般有两路市电输入,其中市电1与后备电源(发电机组)经过ATS转换系统转换为一路电源输出,送至低压配电系统的自动切换装置,从另一个变电站输出的市电2直接送至输该自动切换装置。对两路电源的自动切换装置的输出进行电源分配就是低压配电系统,向各种交流380V或220V的负载供电,同时设置并联型抗瞬态浪涌抑制器,对特殊负载可以通过串联型抗瞬态浪涌抑制器进行保护;机房输入配电是低压配电系统的二级配电系统,除了对机房内的空调、照明、维修、风机等系统用电外,最重要的是给UPS电源系统提供交流输入电源;最基本的UPS电源系统包括UPS电源主机和蓄电池组,由此进行并联或串联组合组成各种功能强大、可靠性极高、较为复杂的UPS电源系统,另外有部分UPS系统还配置外部维修旁路柜来方便维护工作;每一组UPS电源系统都会配置相应的输出配电系统,将优质的UPS 电源向各种计算机负载及外设、监控、保安、紧急照明、智能网、服务器等系统供电,机房设备较多、数据中心较大时都可以使用二级输出配电,在负荷较集中的局部或各个机房内设置输出分电屏;还有一些特别重要的负载对供电系统的可靠性要求极高,可以用两组UPS 电源系统分别输出至尽量靠近设备点的静态转换开关,组成更为可靠的双母线供电系统向负载供电。
2 UPS 供电系统及其外围设备
UPS 成套供电系统由UPS 电源系统及其辅助设备和配套设备组成,本文分别进行介绍。UPS 成套供电系统主要包括电网和油机输入系统、低压配电和电源切换系统、机房输入配电系统、UPS 电源系统、UPS 输出总配电系统、UPS 输出终端配电系统等几大部分,图2 为UPS 成套供电系统原理框图。

图2 UPS成套供电系统原理框图
2.1 UPS 电源系统的辅助设备
独立的大功率 UPS 电源机柜只有辅以适当的设备后,才能充分发挥其作用,为很多重要负荷提供可靠的电源。
2.1.1 输入配电柜
计算机机房用电是从低压配电系统馈电,进入输入配电柜后进行配电,再提供给机房内的空调、新风机、排风机、UPS 电源负荷、照明、维修系统等。
输入该配电柜的电源有多种方式,一般情况下为低压配电系统馈出的一路电源输入。当UPS 的主路和旁路输入电源设置为同一路电源时,配电柜的输入电源可以设计为两路电源输入,且这两路输入电源之间应当有切换装置(手动切换或自动切换)连接和避免电源间短路的措施。这两路电源可以是市电或油机电源。
输入配电柜应当具有测量、指示、报警等功能,便于使用和维护;如果低压配电系统馈电给计算机机房距离较远时,配电柜的输入端应当设置并联型抗瞬态浪涌抑制器以保护设备和人身的安全。自动化管理程度较高的机房,还会要求输入开关和馈电给重要负荷的开关的状态、测量的电压电流等信息进行监控管理和远程通信管理。
图3 为输入配电柜的原理和平面布局的一个典型的例子。

图3 输入配电柜的原理和平面布局图
2.1.2 输出配电柜
大功率 UPS 电源输出容量大,负荷种类和数量多,需要将输出开关Q5 输出的电源进行再次分配,其主要负荷有计算机主机、外设、终端、监控系统、事故照明、保安系统等。
2.1.2.1 输出总配电屏
一般情况下,特大容量的单机 UPS 或多台并机系统的输出容量都较大,且系统的负载容量和种类也较多。此时可以设立UPS 电源输出总配电柜,每台UPS电源输出到总配电柜中各自独立的开关,再从总配电柜的输出馈电开关通过分配电屏向负载供电。
该配电柜应当具有测量、指示、报警等功能,便于使用和维护。自动化管理程度较高的机房,还会要求对各输入开关和馈电给重要负荷的开关的状态、测量的电压电流等信息进行监控管理和远程通信管理。
2.1.2.2 输出分配电屏
分配电柜放置在负荷较集中的位置,其电源从总配电屏提供,再配电给附近的容量较小、数量较多的负载。负载种类一般有设备间插座、终端间插座、网络配线间插座、网络实验室插座、办公室插座、UPS 室插座、语音室用电、配线间用电、事故照明用电等。馈电开关容量一般为6A~32A,极数有1~4 极。
该配电柜一般不具有测量、指示、报警等功能。
图4 为输出配电柜的原理和平面布局的一个典型的例子。

图4 输出配电柜的原理和平面布局图
2.1.3 旁路隔离变压器
负载设备对零线与地线之间的电压有特殊要求时,可以选择适当的旁路隔离变压器,形成旁路电源与负载之间的电流隔离。在电源系统中选择适当的接地方式,可以实现零线与地线之间的电压<1V,满足部分服务器、微波设备等特殊负载的接地要求。
选择旁路隔离变压器的容量有两种方式。一种是依据负荷容量选择,该种方式选择的变压器容量较小、经济一些,但没有扩容的余量;另一种是依据UPS电源系统额定输出容量选择,变压器容量较大、价格较高,但系统扩容方便。
2.1.4 维修旁路柜
大功率 UPS 电源多台并联输出的电流汇接设备主要有自动维修旁路柜和手动维护旁路等装置。多台大功率UPS电源在旁路柜并联汇接后通过开关输出给负载。当大功率UPS电源系统出现异常时,通过维修旁路向负载供电,实现不停电维护。
正常情况下,并机系统的多台UPS从输入配电柜中各自对应的馈电开关取电,输出至输出配电柜中各自的输入断路器,将优质的UPS电源并联后再馈电给负荷。当主路电源、整流充电器、逆变器或蓄电池组等出现异常,引起逆变器停机,导致UPS系统不能给负载供电,或者系统需要进行测试和大修时,可以通过系统维修旁路柜的手动维修开关向负载馈电,对系统进行不停电维护。
维修旁路柜的输入电源可以从输入配电柜取电,也可以由不同的市电提供,其输出直接并联到输出配电柜的UPS电源并联母线上。使用中应当引起注意的是:该柜中的维修旁路开关在系统正常运行时不能闭合。
该柜应当具有测量、指示、报警等功能,便于使用和维护。自动化管理程度较高的机房,还会要求对维修开关的状态、测量的电压电流等信息进行监控和远程通信管理。
2.1.5 蓄电池组
2.1.5.1 蓄电池组容量
依据额定负荷容量计算出放电电流值,根据该电流值及用户需求后备时间的不同选择合适的电池容量。电池的规格种类较多,我司推荐使用蓄电池组为30节12V 单体电池串联,单体容量可以选择为38Ah、65Ah和100Ah。蓄电池容量在100~300Ah时,建议选用多组相同品牌相同容量的蓄电池组并联;蓄电池容量超过300Ah时,选用2V单体电池组成。
表 1 中蓄电池组容量数据为额定输出满载配置时的要求,实际运行中可以依据负载率和后备时间的要求在70%~100%容量范围内选配蓄电池组。
表 1 UPS 单机系统蓄电池容量选择和配置(Ah,25℃)

2.1.5.2电池柜
如某厂商UL33系列UPS电源系统配套的电池柜有UF-B0100-30和UF-B0065-30 两种,结构参数如表 2 所示。电池柜装满蓄电池后较重,因此应合理选择支撑架和地板承重能力。
表2 电池柜结构参数

2.2 UPS 电源系统的配套设备
2.2.1 输入电源系统
UPS 电源系统的输入交流电源一般有两路市电和一路油机电源。主供电的市电与油机电源通过具有零线先合后断功能的自动切换开关ATS转换为一路电源输出至低压配电系统;另一路市电依据负载等级情况可以在低压配电系统的切换装置前输入作为全部负载的热备份电源,也可以在机房输入配电柜处经过自动切换输入,作为输入计算机机房负载的热备份电源,甚至作为UPS系统的旁路电源直接输入到旁路电源输入配电柜。较为典型的电源输入系统切换方式原理图间图5。

图5 电源输入切换原理图
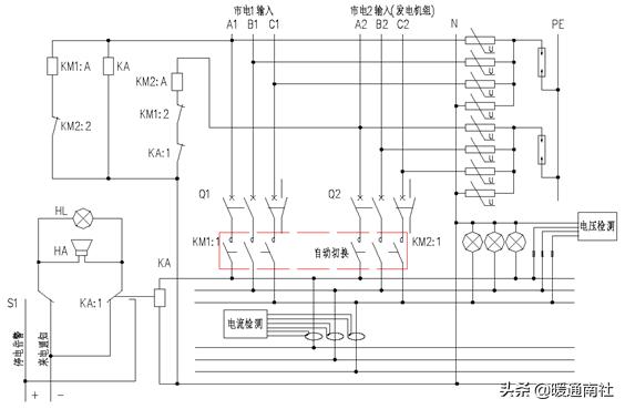
2.2.2 低压配电系统
经过自动切换开关 ATS 转换输出的一路电源与另一路市电都将同时送入低压配电系统的自动切换单元,将两路市电转换为一路输出至馈电母线上,另一路处于热备份状态。对两路电源的自动切换装置的输出进行电源分配就是低压配电系统,向各种交流380V或220V的负载供电,同时设置并联型抗瞬态浪涌抑制器,对特殊负载可以通过串联型抗瞬态浪涌抑制器进行保护;低压配电系统将母线电源在总配电柜中分配给配电开关,向空调、水泵、照明、非主要负载等负荷较集中、容量较大的用电单元馈电;同时供给下一级配电柜,向计算机机房等专用的、特殊的用电设备进行再馈电。图6 所示为较为常用的两路市电的自动切换原理及其指示检测单元原理图。

图6 两路电源自动切换及其检测原理图
2.2.3 动力环境监控
计算机房监控系统包括通信局(站)的全部通信电源设备和生产专用空调设备、机房环境设备等。
2.2.3.1 动力设备监控
系统可管理交直流供电系统以及变换设备如高压配电设备、电压配电设备、自备发电机组、UPS、整流设备、蓄电池组、逆变器、避雷器等。监控系统的电流、电压、频率、功率等参数及运行状态、故障报警、控制相关设备的启停。
各种设备可能需要监控的信号如下:
高压配电设备:
【进线柜】
遥测:三相电压、三相电流、有功功率、无功功率;
遥信:开关状态、过流、速断、接地、失压、跳闸报警;
【出线柜】
遥信:开关状态、过流[速断][接地][失压]跳闸报警、变压器过温[瓦斯]报警;
【变压器】
遥测:温度
【母联柜】
遥信:开关状态、过流[速断]跳闸报警
【直流操作电源柜】
遥测:电压
遥信:故障报警
低压配电设备:
【进线柜】
遥测:三相电压、三相电流、频率、功率因数;
遥信:开关状态、缺相[速断][接地][失压]跳闸报警;
遥控:开关分合闸
【主要配电柜】
遥信:开关状态、自动转换开关(AST)工作状态;
遥控:开关分合闸、自动转换开关(AST)的转换;
【出线柜】
遥测:输入电压、输入电流、输出电压、输出电流;
遥信:故障报警;
【电容器柜】
遥信:补偿电容器工作状态(接入或断开);
柴油发电机组:
遥测:三相电压、三相电流、输出功率、输出频率、水温、油压、启动电池电压;
遥信:工作状态(运行/停机)、工作方式(自动/手动)、自动转换开关(AST)状态、过压(欠压)(过载)(油温低)(水温高)(转速高)(启动失败)(启动电池电压低)(油位低)报警;
遥控:开/关机、紧急停机、AST 转换;
整流配电设备:
【交流屏】
遥测:输入电压、输入电流;
遥信:主要开关的开关状态、故障报警;
【整流器】
遥测:各整流器(模块)工作状态、浮充/均充状态,各整流器故障、监控模块故障告警;
【直流屏】
遥测:直流输出电压、直流输出电流;
遥信:直流输出过压(欠压)报警、熔丝断报警;
【蓄电池】
遥测:每只蓄电池电压、蓄电池组充放电电流、标示电池温度;
不间断电源:
遥测:交流输入电压、直流输入电压,标示蓄电池放电电压低、输入故障、整流器故障、逆变器故障、旁路故障等报警;
逆变器:
遥测:直流输入电压、直流输入电流、交流输出电压、交流输出电流、输出频
率;
遥信:故障报警;
直流-直流变换器:
遥测:输入电压、输入电流、输出电压、输出电流;
遥信:故障报警
太阳能供电系统:
遥测:输出电压、输出电流、蓄电池充放电电流;
遥信:太阳能方阵工作状态(投入或撤除)、输出过压/欠压报警、控制器报警
避雷系统设备;
遥信:避雷系统设备的工作状态、故障报警;
空调设备:
系统可检测中央空调、专用空调及分体空调等设备的运行状态、故障报警,控制相关设备自动切换,保持机房正常的温、湿度。
分散空调系统:
遥测:主机工作电流、回风温度、回风湿度;
遥信:开/关机状态、高/低温、高/低湿、过滤器堵塞、电压电压高/低报警;
遥控:开/关机、温度/湿度设定;
集中空调设备:
【冷冻系统】
遥测:冷冻水进/出水温度、冷却水进/出水温度,冷冻机工作电压、冷冻水泵工作电流、冷却水泵工作电流;
【空调系统】
遥测:回风温度、回风湿度、新风温度、送风温度、送风湿度;
遥信:风机工作状态和故障报警、过滤器阻塞报警;
遥控:开/关风机;
【配电柜】
遥测:输入电压、输入电流;
遥信:输入电压过高/过低报警;
环境设备:
系统可监测环境温湿度、水浸、消防、门禁、CCTV等系统的运行状态、故障报警,控制相关设备的启停,保障机房正常的运行环境。
【环境温湿度】
遥测:机房内环境温度、湿度
【水浸系统】
遥测:水浸发生的具体位置
遥信:报警信号
遥控:控制开关设备的启停
【消防系统】
遥信:烟感、温感、火灾报警;
遥控:开/关通风设备、启停其他相关设备;
【保安系统】
遥信:门禁系统、防盗系统和 CCTV 系统的报警信号;
遥控:控制相关设备的启停
监控系统:
以上各种设备的信息均可以通过动力环境监控系统 PSMS 进行集中监控,方便用户的维护、使用合管理。
2.3 成套系统的设计
大功率 UPS不只是独立的设备,用户需要完备的系统解决方案。成套系统设计时不但要正确选择 UPS电源主机系统,还要选择各种配套设备。
低压配电系统依据负载容量不同,设计方案有较大的差别,总输出容量从几百安培至几千安培,这里不作介绍。
UPS 单机系统外部配电包括输入配电和输出配电两部分。输入配电柜断路器容量(对主路及旁路输入均适用)、输出配电柜总断路器容量见表3。

UPS并机系统外部配电也包括输入配电和输出配电两部分。每台UPS的蓄电池组应为独立的电池组,不得使用共用电池组。建议在输出配电柜上为每台UPS的输出配置一个开关,以便在维护时断开UPS输出。输出配电柜总输入开关容量需要依据冗余或备份的方式和期望输出的最大容量灵活选择,表5中推荐了并机系统外部总输出配电开关容量。
表5 并机系统外部输出配电参数

2.4 接地方式
UPS 系统主路输入无中线,旁路和输出有中线且在UPS内部有电气连接。防雷地PE 和机柜保护地在机柜内已经连接,用户可以依据不同的接地要求取舍该连接电缆,一般情况下分开连接的方式对人身安全更好、二者合一则对设备保护更优。在计算机机房电源输入端设置有C级防雷时应当选择机柜安全保护地与防雷地合二为一的连接方式。
依据《建筑防雷设计规范》的规定,计算机机房接地方式有TN、TT、IT 三种型式,其中TN 方式又分为TN-C、TN-S、TN-C-S等三种型式。IT方式一般不用于UPS 的接地。各种接地系统的特点如下:
TN-C系统的特点:在全电源系统内N 线和PE线是合为一根线;
TN-S系统的特点:在全电源系统内N 线和PE线是分开的;
TN-C-S系统的特点:在全电源系统内,仅在前一部分N 线和PE 线合为一根线;
TT 系统的特点:在全电源系统内,各装置外露导电部分有其单独的直接接地极,与电源接地无关。
IT 系统的特点:在全电源系统内,电源与地隔离或一点经阻抗与地连接;各装
置外露导电部分有其单独的直接接地极。
2.4.1 TN-C 接地方式
图7示出了UPS电源在TN-C系统中的接地方法。只要在UPS机柜处将中线与保护地线和PE 线短接在一起,然后用规定的接地电缆连接至综合接地网,就实现了TN-C 的接地连接。此种方式适合于UPS旁路输入电源通过隔离变压器输入且要求零地电压小于1V 时。

图 7 TN-C 接地方式
2.4.2 TN-S 接地方式
图 8示出了UPS系统在TN-S系统中的接地方法。在 UPS 机柜处不能将中线与保护地线和PE线短接在一起,用规定的接地电缆将短接的保护地线和PE线连接至综合接地网,即可以实现 TN-C 的接地连接。

图8 TN-S 接地方式
2.4.3 TN-C-S 接地方式
图 9 示出了UPS 系统在TN-C-S 系统中的接地方法。如果将UPS电源的主路输入和旁路输入看成两台独立的设备,则TN-C 的连接方式就是一种TN-C-S 的方式。当然也可以在并机系统中将各台UPS 电源采用TN-C 和TN-S 的不同接法而实现TN-C-S 的接地连接,其中UPS1 为TN-C 的连接方式,UPS2 的Bypass 电源为TN-S 的连接方式。

图9 TN-C-S 接地方式
2.4.4 TT 接地方式
图 10 示出UPS 在TT 系统中的接地方法。每台UPS 电源的接地端子均接至与电源端或机房综合接地网分隔的接地系统,就形成了重复接地系统,实现TT 接地方式。

图10 TT接地方式
本文来源于互联网。作者不详。暖通南社整理编辑。
标签: UPS
